服务热线
133-0524-9652
网站首页
关于我们
产品中心
新闻资讯
联系我们
您的位置:
首页
>
U型钢化玻璃
>
产品中心
抗冲击耐压耐温差压…
方型/橢型钢化玻璃
碟型钢化玻璃
碗型钢化玻璃
U型钢化玻璃
盆型钢化玻璃
指示灯/信号灯/警示…
液位观察视镜玻璃
摄像头防护罩玻璃
其他玻璃系列
高硼硅退火耐热压铸…
异型可加工系列
三角壁灯玻璃
平板玻璃系列
玻璃管系列
灯工玻璃管
钢化防爆玻璃管
出口玻璃系列
印度系列
俄罗斯系列
欧洲系列
韩国系列
联系我们
Contact Us
宿迁市新辉玻璃灯具厂
电 话:施恩博
号 码:13305249652
地 址:江苏省宿迁市宿豫区丁嘴镇工业园区
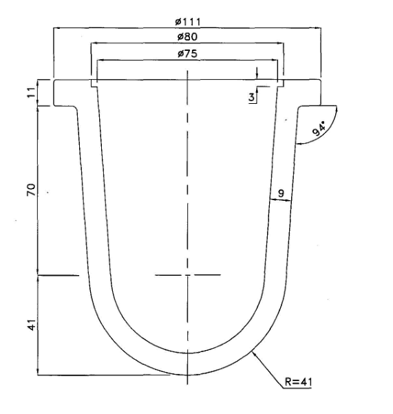
印度系列高硼硅钢化防爆玻璃灯罩
所属分类:
U型钢化玻璃
浏览次数:
2475次
发布日期:
2019/4/10
概述
上一个:
高硼硅钢化防爆玻璃灯罩
下一个:
高硼硅锥形防眩玻璃灯罩